Сменная опорная многогранная пластина КЗТС PNUM-130620
Описание
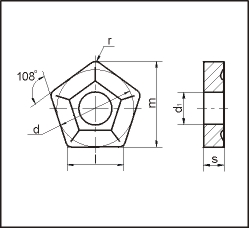
Пластины пятигранной формы с отверстием и стружколомающими канавками на одной стороне(ГОСТ 19065-80)

Технические характеристики
| Показатель | Величина |
|---|---|
| Бренд | ОАО «Кировградский завод твердых сплавов» |
| Сплавы | B25, B35, BP35AM, H10, H30, HP10AM, T20, T40, TC20PT, TC40PТ |
| Бренд | ОАО «Кировградский завод твердых сплавов» |
